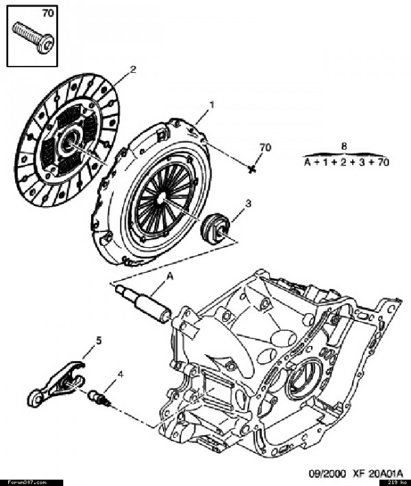
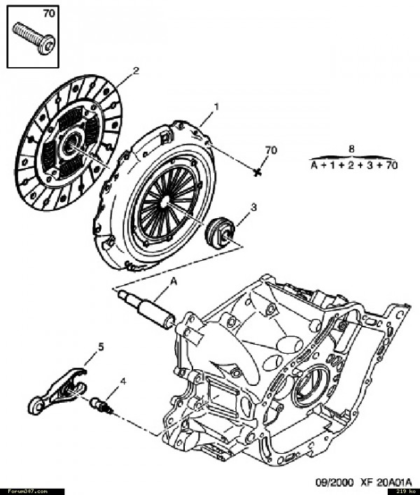
probleme volant moteur 307

Devis Gratuit

Embrayage express le specialiste de l embrayage rapide a marseille repare remplace le volant moteur de votre peugeot 307 par un volant fixe de marque valeo fini les problemes de volant moteur sur votre 307 20 hdi

embrayage express repare egalement votre kit de distribution pompe a eau cardans echappement alternateur demarreur turbo fap disques de freins plaquettes de freins cremailleres amortisseurs .... nous consulter pour autres reparations

quelle que soit la marque de votre vehicule et que vous habitiez Marseille Aubagne Aix en provence Marignane Martigues Les pennes mirabeau Cabries Plan de campagne la Penne sur huveaune Roquevaire Saint maximin Cassis....etc n hesitez pas a nous contacter pour un devis gratuit et une prise de rendez vous chez Embrayage express 555 rue saint pierre 13012 Marseille tel 0491420954

Partager :
Nous écrire
Les champs indiqués par un astérisque (*) sont obligatoires
Besoin de plus d'informations ?
Nous sommes à votre disposition pour toute demande