1. Accueil
  2. Entretien
  3. Autres Prestations
  4. comment reparer ma voiture a marseille
Retour

comment reparer ma voiture a marseille

Devis Gratuit

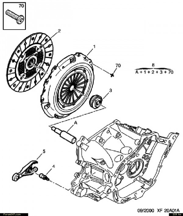
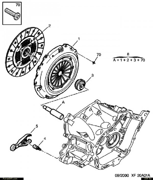
si vous vous demander comment reparer ma voiture a marseille Embrayage express le specialiste de l embrayage rapide a marseille repare les embrayages  volant moteur bimasse freins disques de frein et plaquettes de frein courroie kit de distribution cardan trtansmission boite de vitesses alternateur demarreur pompe a eau joints ....etc

que vous habitiez marseille marignane salon de provence aix en provence cassis les pennes mirabveau aubagne la penne sur huveaune auriol saint zacharie roquevaire et que votre vehicule soit unr renault peugeot citroen vw ford fiat alfa romeo opel seat nissan toyota n hesitez pas a nous contacter pour un devis gratuit et une prise de rendez vous au 0491420954

Partager :
Nous écrire
Les champs indiqués par un astérisque (*) sont obligatoires
Besoin de plus d'informations ?
Nous sommes à votre disposition pour toute demande